全流式机油滤清器性能的寿命试验程序:
1、寿命试验开始前,必须确保所用试验台在按寿命试验规定的 0.5L/min 的试验流量范围内,能满足规定的验证要求。应该注意的是,由于试验台油路的修改或油泵的严重磨损,将会使以前的校验无效因此,最好能按照适当的时间间隔(试验台约运行 250 h)定期校验试验台,以确保试验时循环机油中悬浮的杂质符合要求。
2、按规定准备试验台和安装试验滤清器。
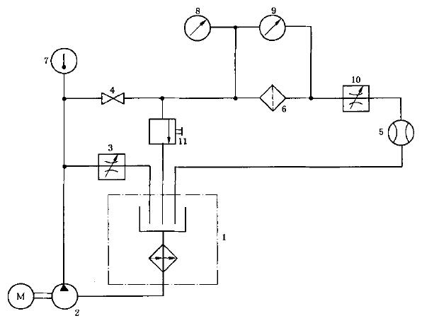
试验滤清器应直立安装在试验台上,如下图 1 所示。滤芯旁通元器件应保持有效。安装前应注意确保试验滤清器外壳和附加管路的清洁。

标号说明:
1——油箱(最好隔热),必要时可装有恒温控制式加热器和冷却器;
2——变速电动泵;
3——压力调节旁通阀;
4——开关阀;
5——流量计;
6——试验滤清器;
7——热电偶,与温度指示仪相连;
8——压力表;
9——压差计,测量滤清器压降用1);
10——流量调节阀;
11——取样阀。
1)如用水银压力计代替,则须在压力计管路的高压端安装截止阀
图 1 寿命和累积效率试验用试验台总体布置图
注:除不可解体的滤清器总成外,安装前可按照 ISO 2942 的规定对滤清器进行结构完整性试验。
3、按规定制备足够数量的试验灰和准备足够清洁的油样瓶(容量 100 mL),以供试验使用。
4、开启旁通阀 3(见图 1),关闭开关阀 4,调整加热器至所要求的温度,并使油泵在低速下运转。
5、当达到要求的机油温度时,开启阀门 4,关闭旁通阀 3,并提高油泵转速,将流经试验滤清器的流量调整至试验流量的 50% 。
6、待温度保持稳定,调整油泵转速,使流经试验滤清器的流量达到试验流量的 125% 。
7、逐渐开启旁通阀 3,直至将流经试验滤清器的流量调整到试验流量。
8、调节阀门 11,将油样管路的流量调整到约 0.5 L/min,稳定后,重调油泵转速,将流经试验滤清器的流量校正至试验流量。进而再调整旁通阀 3,使该流量在整个试验期内均保持不变。
9、从油样管路中取 50 mL 油样,并向油箱补充 50 mL 的清洁试验油。
10、将预先制备好盛放在烧杯内的油泥浆用蠕动泵输入油箱。预先校正好送进量,使其达到所要求的杂质添加速率。送料时,用搅拌器以约 1 000 r/min 的转速不断搅拌油泥浆。连续添加油泥浆直至滤清器的试验终止压力达到规定的数值。
11、此后每隔 20 min 从油样管路中取 50 mL 油样,直至试验终点。在每次取样间隔期内,均按规定,将油箱内的油量调整到初始值。
12、在每次取 50 mL 油样前,即时记录温度和试验滤清器的压差。
13、试验终止时,取最后 50 mL油样。
14、记录加入油箱的试验灰总质量,然后按规定分析油样。