今天给大家带来的分享是关于液压减压阀的耐久性试验方法。
1、技术要求:
在额定工况下,减压阀应能承受耐久性指标(先导型减压阀,根据公称通径的不同,应 ≥40万次~70万次 不等;直动型减压阀,根据公称通径的不同,应 ≥20万次~40万次 不等)规定的动作次数,其零件不应用异常磨损和其他形式的损坏,各项性能指标下降不应超过规定值的 10%。
2、试验方法:
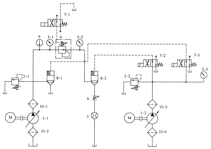
2.1 试验回路原理见下图 1 。

1-1、1-2——液压泵;2-1、2-2——溢流阀;3-1、3-2、3-3——压力表;4——被试阀;
5——流量计;6——节流阀;7-1、7-2、7-3——换向阀;8-1、8-2——阶跃加载阀;
9——温度计;10-1、10-2、10-3、10-4——过滤器。
图 1 型式试验回路原理图
2.2 试验程序
调节溢流阀 2,使被试阀 4 的进口压力为最高工作压力,并使通过被试阀 4 的流量为试验流量。调节节流阀 6 和被试阀 4,使被试阀 4 的出口压力为调压范围下限值(当调压范围下限值低于 1.5MPa 时,则调至 1.5MPa)。以(20~40)次/min 的频率连续控制换向阀 7-3 通电和断电,以使阶跃加载阀 8-1 反复开启和关闭,并记录被试阀 4 的动作次数。在达到耐久性指标规定的动作次数后,检查被试阀 4 的主要零件和性能。
以上就是今天的分享!如果您对用于上述试验的液压减压阀耐久性试验装置感兴趣,欢迎与我们联系!电话:0755-8889 8859 QQ:459675648。