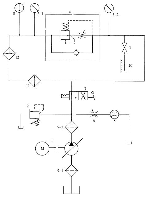
液压调速阀的出厂试验项目有7个,包括必试项目4个:流量调节范围及最小控制流量、内泄漏量、进口压力变化对调节流量的影响、密封性,抽试项目3个:耐压性、出口压力变化对调节流量的影响、反向压力损失(仅带单向阀结构)。出厂试验回路原理见下图 1 ,各试验项对应的试验方法见下文。

1——液压泵;2——溢流阀;3-1、3-2——压力表;4——被试阀;5——流量计;
6——节流阀;7——手动换向阀;8——温度计;9-1、9-2过滤器;
10——量杯;11——冷却器;12——管路加热器;13——截止阀。
图 1 出厂试验回路原理图
1、耐压性(抽试)
打开节流阀 6,将被试阀4完全关闭,调节溢流阀 2,调节压力从最低工作压力开始,以毎秒 2% 的速率递增,直至被试阀额定压力的 1.5 倍。达到后保压 5min。
2、流量调节范围及最小控制流量(必试)
使被试阀 4 的进口、出口压差为最低工作压力值,并使溢流阀 2 处于溢流工况。调节被试阀 4 的调节装置从全紧位置至试验流量对应的刻度指示值,随者开度大小的变化,通过流量计 5 观察流量变化情况,并测量流量调节范闱。反复试验不少于 3 次。
将节流阀 6 完全关闭,打开截止阀 13,在被试阀 4 的进口、出口压差为最低工作压力值下,调节被试阀 4,使通过被试阀 4 的流量为最小控制流量。再调节溢流阀 2,使被试阀 4 的进口压力从最低工作压力增至额定压力,通过截止阀 13 的流量,观察被试阀 4 的最小控制流量变化情况,反复试验不少于 3 次。
3、内泄漏量(必试)
将节流阀 6 完全关闭,打开截止阀 13,调节被试阀 4 的调节装罝至全紧位置,再调节溢流阀 2,使被试阀 4 的进口压力为额定压力。然后,调节被试阀 4 的调节装罝,使被试阀 4 开启再完全关闭,30s 后,通过量杯 14,测量被试阀 4 的内泄漏量。
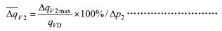
4、进口压力变化对调节流量的影响(必试)
完全打开节流阀 6,调节被试阀 4,使通过被试阀4的流量为最小控制流量。调节溢流阀 2,使被试阀 4 的进口压力从最低工作压力增至额定压力(测量点应不少于 3 点),试验被试阀 4 在进口压力变化时的流量变化率。
其值按公式(1)计算
(1)
式中:
△qv1——在给定的调定流量下,当进口压力变化时的相对流量变化率,%/MPa
△qv1max——当进口压力变化时,给定的调定流量的最大变化值,单位为升每分(L/min)
qVD——给定的调定流量,此处为最小控制流量,单位为升每分(L/min)
△P1——进口压力变化量,单位为兆帕(MPa)
5、出口压力变化对调节流量的影响(抽试)
调节溢流阀 2 至被试阀 4 的额定压力,并调节被试阀 4,使通过被试阀 4 的流量为最小控制流量。再调节节流阀 6,使被试阀 4 的出口压力在额定压力的 5% 到 90% 之间变化(测量点应不少于 3 点),试验被试阀 4 在出口压力变化时的流量变化率。
其值按公式(2)计算
(2)
式中:
△qv1——在给定的调定流量下,当出口压力变化时的相对流量变化率,%/MPa
△qv1max——当出口压力变化时,给定调定流量的最大变化值,单位为升每分(L/min)
qVD——给定的调定流量,此处为最小控制流量,单位为升每分(L/min)
△P1——进口压力变化量,单位为兆帕(MPa)
6、反向压力损失(仅带单向阀结构)(抽试)
调节被试阀的调节装置至全紧位置,将手动换向阀换向到右边位置,使反向通过被试阀 4 的流量为试验流量,用压力表 3-2 和压力表 3-1 测量压力,其压差即为被试阀 4 的反向压力损失。
7、密封性(必试)
在上述各项试验过程中,目测观察被试阀连接时及各连接处密封情况。
以上就是今天的分享!如果您对用于液压调速阀出厂试验的试验回路装置感兴趣,欢迎与我们联系!电话:0755-8889 8859 QQ:459675648。