今天给大家分享的是关于液压隔离式蓄能器的性能试验装置和条件。(如果您对蓄能器的性能试验装置感兴趣,欢迎与我们联系!电话:0755-8889 8859 QQ:459675648。)
1、试验回路
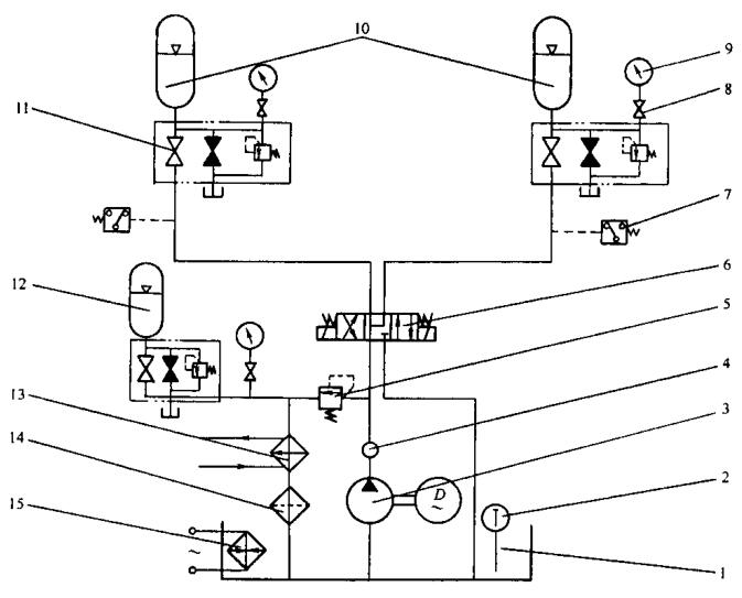
液压试验回路原理图参见图 1。

图 1 液压试验回路原理图
2、测量点位置
2.1 压力测量点应设置在被试件之外,距被试件输入口(或输出口)的(2〜4)d处。
2.2 温度测量点应设置在被试件之外,距压力测量点(更远离被试件)的(2〜4)d处。
3、试验用油液
3.1 黏度:40℃时,运动黏度为42mm²/s〜74mm²/s(特殊要求按合同规定)。
3.2 油温:被试件进口处的油液温度为50℃左右。型式试验应在50℃±2℃下进行;出厂试验应在50℃±4℃下进行。
3.3 污染度:试验用油液的固体颗粒污染等级不应高于GB/T 14039—2002规定的一/19/16。
4、测量准确度
4.1 测量准确度等级分为 A、B、C三级。型式检验的测量准确度不得低于B级,出厂试验的测量准确度不得低于C级。
4.2 测量准确度等级指标应符合表 1 的规定。
表1 测量准确度等级
| 测量参量 | 测量准确度等级 | |
| B | C | |
| 压力% | ±1.5 | ±2.5 |
| 溫度℃ | ±1.0 | ±2.0 |
注:表中所列数值系指测量值的允许极限,而不是试验测量的最大值或仪器仪表最大读数允许极限。
5、稳态工况
被控参量的平均指示值变化范围在表 2 规定范围内为稳态工况。只有在稳态工况下测量各设定点的各个参量才有效。
表2 稳态工况参量波动指标
| 测量参量 | 测量准确度等级 | |
| B | C | |
| 压力% | ±1.5 | ±2.5 |
| 温度℃ | ±2.0 | ±4.0 |
最后,液压隔离式蓄能器的性能试验有哪些项目呢?各项性能的试验方法又有什么要求呢?我们将在最近一期分享给大家!