今天给大家带来的分享是液压泵的稳态性能试验方法。
1、液压泵的稳态性能试验试验回路分为开式回路和闭式回路。
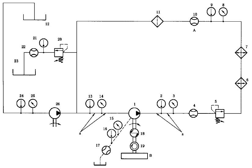
1.1 开式试验
试验回路如图 1 所示,图中所示元件为试验回路必备元件。如果有进口加压要求,应在限定的范围内提供保压措施。

1——被试泵;2、8、14、15——压力表;3、9、13、16——温度计;
4、10、17——流量计;5——溢流阀;6——加热器;7——冷却器;11——过滤器;
12——油箱;18——转矩仪;19——转速仪。
A——可选择位置;B——驱动装置。 a 管子长度见相关规定。
图 1 泵试验回路(开式回路)
1.2 闭式试验
试验回路如图 2 所示,图中所示元件为试验回路必备元件。在这个回路中,补油泵提供少量流量补充系统泄漏量,提供大量流量用于系统冷却。

1——被试泵;26——补油泵;3、8、14、15、25——压力表;2、9、13、16、21、24——温度计;
4、10、17、22——流量计;5、20——溢流阀;6——加热器;7——冷却器;11——过滤器;
12、23——油箱;18——转矩仪;19——转速仪。
A——可选择位置;B——驱动装置。 a 管子长度见相关规定。
图 2 泵试验回路(闭式回路)
2、进口压力
在每次试验中,要按生产商的规定,保持进口压力在允许范屡内的恒定值(见表 1),如果需要,在不同的进口压力下进行试验。
表 1 所选定的参数的平均指示值的允许变化范围

3、试验测量
记录以下测量数据:
a)输入转矩;
b)出口流量;
c)泄油流量(适用时);
d)液体温度。
在恒定转速(见表 1)和若干输出压力下,测出一组数据,以便在出口压力的整个范围内给出泵性能的具有代表性的示值。
在其他转速时,重复 a)~d)的测量,在转速的整个范围内给出泵性能的具有代表性的示值。
4、变量
在试验规定的最低转速和最低出口压力下,如果泵是变量式的,则应对最大排量值及要求的其他排量值(诸如最大排量的 75%,50%和 25%),进行全部试验。
5、反向流动
如果泵的流动方式可以借助于变量机构来反向,则根据需要针对两种流动方向进行试验。
6、非整体式补油泵
如果被试泵配套一个补油泵,而且功率输入可以分别测量,则应分别试验诸泵并针对每个泵分别表达结果。
7、全流量整体式补油泵
如果补油泵与主泵成整体,使功率输入无法分开,并且补油泵输送主泵的全流量,则两个泵应作为一个整体元件来处理并相应地表达结果。
注:所测得的进口压力是补油泵的进口压力。
应测量和记录补油泵的任何多余流量。
8、部分流量整体式补油泵
如果补油泵与主泵成整体,使功率输入无法分开,但补油泵仅向主泵的液压回路供给一部分流量而其余部分旁通或用于某些辅助用途如冷却循环等。此时,应测量并记录来自补油泵的流量。
以上就是今天的分享!如果您对用于上述试验的液压泵的稳态性能试验回路装置感兴趣,欢迎与我们联系!电话:0755-8889 8859 QQ:459675648。
