除非在各管接头标准中另有规定,液压管接头循环耐久性试验应对三个1型或六个3型试验组件,以及当适用时,六个2型和4型的试验组件进行试验,以确定它们在133%的最高工作压力下循环100万次没有泄漏或元件失效。对于通径51mm和更大的法兰组件以及管外径尺寸为50mm和更大的管接头,如果设计经过了计算或有限元分析校核,则对三个试验组件进行试验即可。
注:通过计算或有限元分析校核是指有正式试算书或报告。
|
|
1——旋转螺母;A——端直通管接头;B——金属管; C——可旋转的异形管接头,也适用于其他形式的管接头; D——螺堵;G——密封件,例如:O形圈; L——金属管长度。a L=5*管外径(mm)+50mm。 图 1 用于测试管连接的 1 型试验组件 | A——端直通管接头;D——螺堵; E——带可调节螺柱端的异形管接头; G——密封件,例如:O形圈。 图 2 用于测试螺柱端连接的 2 型试验组件 |
|
|
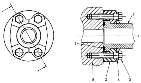
1——旋转螺母; C——可旋转的异形管接头,也适用于其他形式的管接头; D——螺堵;E——带可调节螺柱端的异形管接头; G——密封件,例如:O形圈。 图 3 用于测试无管连接的管接头能力的 3 型试验组件 | 1——O形密封圈;2——分离式法兰压板; 3——螺钉; 4——垫圈;5——试验接口; F——法兰接头。 a 些端盖住或塞住。 图 4 用于测试法兰管接头的 4 型试验组件 |
试验按照下表 1 的规定进行。
试验参量 | 参数值和试验步骤 |
试验介质 | 符合ISO6743-4的液压油(如HM),其黏度等于或小于ISO3448的黏度等级32;或水。 试验介质应记录在试验报告中 |
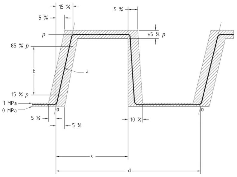
试验压力 | 试验压力应按照ISO6605中所示的波形变化,峰值压力应为管接头最高工作压力的133%,脉冲频率为0.5Hz~1.25Hz |
试验持续时间 | 最少100万次压力脉冲循环 |
判定标准 | 在试验期间,应验组件没有泄漏或失效 |

a——压力上升速率切线;b——在此两点之间确定压力上升速率;
c——一个完整脉冲周期的45%至55%;d——一个完整的脉冲周期。
图 5 循环耐久性(脉冲)试验的压力周期曲线
以上就是今天的分享!如果您对用于上述试验的液压管接头循环耐久性(脉冲)试验装置感兴趣,欢迎与我们联系!电话:0755-8889 8859 QQ:459675648。
