今天给大家分享关于压力控制阀的试验回路装置,包括溢流阀、减压阀、反向溢流的减压阀等压力控制阀的性能试验回路。(如果您对以下的试验回路感兴趣,欢迎与我们联系!电话:0755-8889 8859 QQ:459675648。)
安全提示:试验过程应充分考虑人员和设备的安全。
对所有类型阀的试验,应使用符合图 1~图 3 要求的试验装置。
图 1~图 3 所示是完成试验所需的最简单要求。在如图 1~图 3 所示的试验回路中,没有包括为防止任意元件出现意外故障所需的安全装置。试验采用图 1~图 3 所示回路时,应按下列要求实施:
a)试验实施指南参见附录 A;
b)对各项试验可以建立分开的回路,因为排除了经已关闭阀泄漏的可能性,所以可提高试验结果的准确度;
c)阀的液压性能试验需要用到放大器,输入信号被提供给放大器,而不是直接作用于阀;而电气试验中,信号直接作用于阀;
d)液压阀宜与制造商所推荐的放大器配合使用,否则宜记录放大器的详细工作参数(如调制信号的脉宽、振动频率和幅值);
e)在脉宽调制的启闭过程中,要记录放大器的供电电压、幅值和施加于被试阀上的电信号;
f)电气试验设备和传感器的频宽或自振频率宜至少高于最高试验频率的 10 倍;
g)应选择流量计 10,使其对 Y 口压力的影响可以忽略。

说明:1——油源;2——系统溢流阀;3——卸荷阀的先导阀;4——卸荷阀;5——被试阀;
6——压力传感器;7——压力传感器;8——差动放大器;9——数据采集;10——流量计;
11——流量计;12——信号发生器;13——温度计;14——压力表;15——压力表;
S1——截止阀;S2——截止阀;P——进油口;T——回油口;Y——先导泄油口。
图 1 溢流阀试验回路

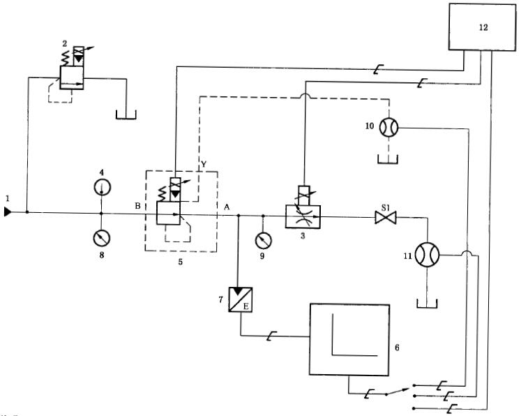
说明:1——油源;2——系统溢流阀;3——流量控制阀;4——温度计;
5——被试阀;6——数据采集;7——压力传感器;8——压力表;
9——压力表;10——流量计;11——流量计;12——信号发生器;
A——压力控制口(出口二次压力);B——压力输入口(进口一次压力);S1——截止阀;Y——先导泄油口。
图 2 减压阀试验回路

说明:1——油源;2——系统溢流阀;3——流量控制阀;4——温度计;5——被试阀;
6——数据采集;7——压力传感器;8——压力表;9——压力表;10——流量计;
11——流量计;12——信号发生器;13——方向阀;
A——压力控制口(出口二次压力);B——压力输入口(进口一次压力);S1——截止阀;Y——先导泄油口。
图 2 反向溢流的减压阀试验回路
附录 A
(资料性附录)试验实施指南
试验之前,被试阀的驱动放大器宜按照制造商的说明书设定。
信号发生器宜提供连续可变的输入信号,记录仪用来记录压力传感器和流量计测出得相应的压力和流量信号。
注 1:阀对输入信号产生压力和流量响应也可以采用逐点法手动记录。
注 2:输入信号在半个试验周期仅在一个方向上升,而在另半个试验周期又在另一个方向下降。 这样的结果就使阀固有的迟滞显现出来,自动信号发生器可有效的防止信号的误转换。
对于稳态试验,假如与记录仪的响应相比较,其输出变化频率要低,则信号发生器产生的何种函数类型(如正弦、斜坡等)是不重要的,记录仪具有调整传感器和阀输入信号的幅值到合适尺度及调整图中曲线轨迹对中的功能。
自动信号发生器宜具备手动输入开关,以便阀和仪器的调节。
宜记录电气设备的调整。