今天给大家带来的分享汽车液压比例阀的温度耐久性的性能试验方法。
1、样件安装状态如下:
a)液压定值比例阀为实车安装状态。
b)液压惯性比例阀按图 3 在惯性球的非工作状态和惯性球的工作状态之间不断转换,转换时间为3s~6s。
c)液压感载比例阀为满载状态。
2、样件与试验装置的连接参见图 1 或图 2。

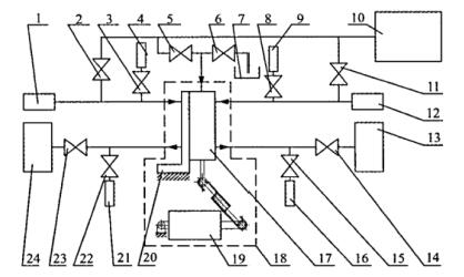
1、12——测量容积调节装置;2、3、5、6、8、11、14、15、22、23——截止阀;
4、9、16、21——压力测量装置(压力传感器或压力表);7——油箱;10——压力源;13、24——负载装置;
17——试验样件;18——高、低温试验箱;19——试验样件工作状态驱动装置;20——试验样件夹具
图 1 液压定值比例阀和液压感载比例阀液压密封性、工作特性测试原理图

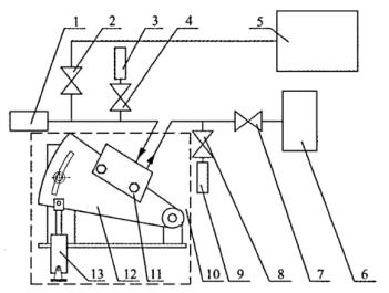
1——测量容积调节装置;2、4、7、8——截止阀;3、9——压力测量装置(压力传感器或压力表);
5——压力源;6——负载装置;10——高、低温试验箱;11——试验样件;12——试验样件夹具;
13——试验样件工作状态驱动装置
图 2 液压惯性比例阀液压密封性、工作特性测试原理图
3、排净液压管路和样件内的空气,使液压回路内充满制动液。
4、试验顺序及试验条件见表5。液压惯性比例阀加载曲线见图 3 。
表 1 高温缓加压特性和高温耐久性的试验环境温度
| 产品在汽车上的安装位置 | 试验环境温度a,℃ |
| 在发动机仓外 | 80±2 |
| 在发动机仓内,但离发动机比较远 | 100±2 |
| 在发动机仓内,但离发动机比较近 | 120±2 |
注:a试验环境温度应根据产品在汽车上的安装位置,只选择一种
表 2 温度耐久性试验顺序及试验条件
| 试验顺序 | 试验项目 | 试验环境温度a | 进液口输入压力,MPa | 保压时间,s | 试验频率,Hz | 试验循环,个 |
| 1 | 常温耐久性 | 室温 | pe ±0.3 | 1.75±0.4 | 0.28±0.03 | 1.65*105 |
| 2 | 高温耐久性 | 80±2℃ | 1.25*105 | |||
| 100±2℃ | ||||||
| 120±2℃ | ||||||
| 3 | 低温耐久性 | -40±2℃ | 0.17 ±0.02 | 4.5*104 |
注:a高温耐久性的试验环境温度应按表 1 进行选择。

图 3 液压惯性比例阀加载曲线
5、对感载弹簧安装在样件阀体外的液压感载比例阀,在完成表 2 试验后,其感载弹簧还按按以下要求进行耐久性试验。
a)将样件的感载弹簧固定在试验设备的夹具上,驱动装置使感载弹簧的长度从空载位置到满载位置,然后再从满载位置回到空载位置。该过程为一个试验循环。
b)试验频率为 0.28Hz±0.03Hz。
c)试验环境温度为室温。
d)试验循环数为3*105。
6、试验过程中,注意观察样件有无外泄漏、零部件有无损坏。
7、试验结束后,按相关规定进行液压密封性试验,按相关规定进行常温工作特性试验。
8、计算试验后常温缓加压各比例拐点测量值与试验前常温缓加压对应比例拐点测量值的变化率和试验后常温急加压各比例拐点测量值与试验前常温缓加压对应比例拐点测量值的变化率。
以上就是今天的分享!如果您对用于上述试验的汽车液压比例阀的温度耐久性能试验装置感兴趣,欢迎与我们联系!电话:0755-8889 8859 QQ:459675648。