今天给大家带来的是关于列管式油冷却器的密封性及耐冲击试验方法。
1、列管式油冷却器密封性试验方法:
1.1 油侧进行油压试验。试验压力为公称压力的1.5倍,保压30 min,压力下降值不应大于0.05 MPa。
1.2 水侧进行水压试验。试验压力为公称压力的1.5倍,保压30 min,压力下降值不应大于0.05 MPa。
1.3 油侧、水侧也可进行气压试验。试验压力为公称压力的1.25倍,保压30 min,压力下降值不应大于 0.1 MPa。
试验结果判定:冷却器油侧和水侧在公称压力下,各焊缝、胀接及连接处不应有渗漏现象。
2、列管式油冷却器耐冲击试验方法:
GLC1、GLC2型冷却器油侧在公称压力下保压三分之一周期,卸荷三分之二周期(卸荷后压力不低于公称压力的10%),以(10〜15)次/min的频率冲击30万次后,产品应无变形、泄漏和损坏的现象。

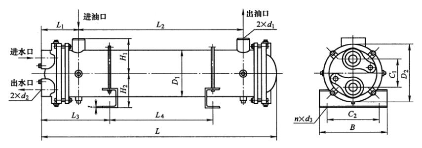
GLC型冷却器外形
以上就是今天分享的内容!
如果您对上述试验所需的冷却器密封性试验装置及冷却器耐冲击试验装置感兴趣,欢迎与我们联系!0755-8889 8859 QQ:459675648。
深圳市亿威仕流控制有限公司是国家及深圳市的高新技技术企业,流体压力检测与控制设备的解决方案全球供应商,中国试验机领导品牌!始创于1999年,20年来一直专注于流体压力检测与控制技术的研发与创新。致力于帮助客户的产品研发与生产、检测与验证提供安全可靠的手段。