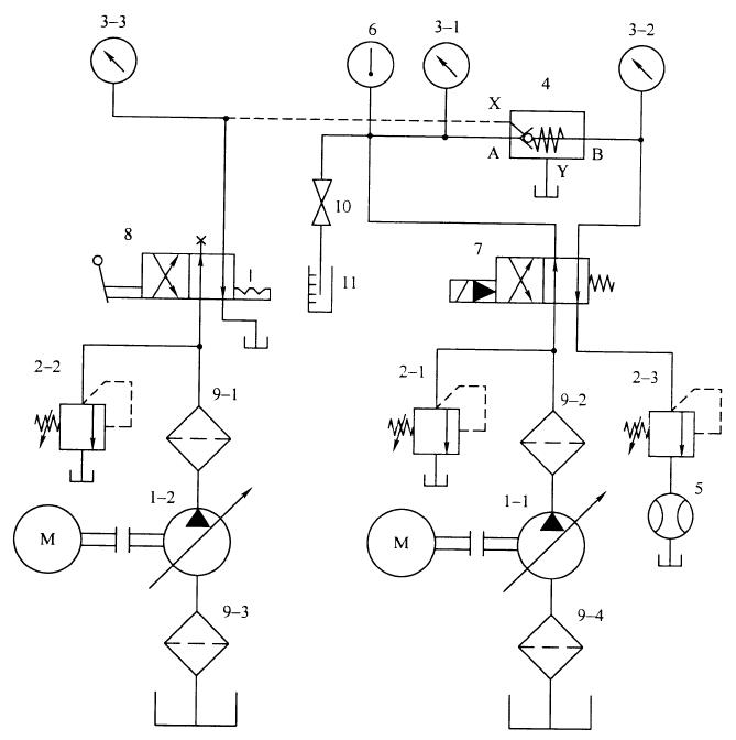
液压单向阀耐久性试验应采用专用的耐久性试验装置来进行,试验装置的试验原理可参考下图1所示的试验回路原理图,关于单向阀的耐久试验方法,我们也将参照原理图来讲解,以下是具体内容。

1-1、1-2——液压泵;2-1、2-2、2-3——溢流阀;3-1、3-2、3-3——压力表;4——被试阀;
5——流量计;6——温度计;7——电磁(电液)换向阀;8——手动换向阀;
9-1、9-2、9-3、9-4——过滤器;10——截止阀;11——量杯。
图1 液压单向阀试验回路原理图
液压单向阀的耐久性试验按如下方法步骤进行:
1、调节溢流阀2-1和溢流阀2-3,使被试阀4的A油口压力为额定压力,并使通过被试阀4的流量为试验流量。
2、将电磁(电液)换向阀7以(20~40)次/min的频率连续换向,试验被试阀4的动作次数,并在达到耐久性指标中规定的动作次数后,检查被试阀4的主要零件。
3、经耐久性试验后,还应再按液压单向阀出厂试验的规定试验全部项目。
以上就是今天分享的内容,如您对液压单向阀耐久性试验装置感兴趣,欢迎与我们联系!电话:0755-8889 8859 QQ:459675648。