今天给大家带来的是关于呼吸气瓶水压试验方法的分享,如您需要的是呼吸气瓶水压试验装置,欢迎与我们联系!电话:0755-8889 8859 QQ:459675648。下面马上开始今天的内容。
呼吸气瓶是呼吸器用铝内胆碳纤维全缠绕复合气瓶的简称,呼吸气瓶的水压试验通常采用外测法来进行水压试验,试验前应实测气瓶水容积和重量,其数值应以三位有效数字表示,第四位数值,对于容积一律舍去,对于瓶重一律进位。试验方法应符合GB/T 9251的规定。
根据标准GB/T 9251的规定,外测法气瓶水压试验时应遵循以下测试操作守则:
1、受试瓶加压前,应把专用水套及连接管路内的空气排尽。
2、测试专用水套应经过校准瓶的校验。校准瓶的大小应与专用水套相适应。
3、受试瓶装入水套后,应先静置30s,在此期间,电子秤的示值应稳定无飘移。
4、调整电子秤的起始示值,确保其起始示值、量杯重量和受试瓶全变形值之和应在电子秤量程范围内。
5、受试瓶内的压力升至公称工作压力时,应暂停升压,进行检查。电子秤的示值不应继续上升,压力测量仪表指示的压力值不应下降。
6、试验升压速度,应符合规定。
7、受试瓶在试验压力下至少保持30s,压力不应下降,电子天平的指示值也应稳定。

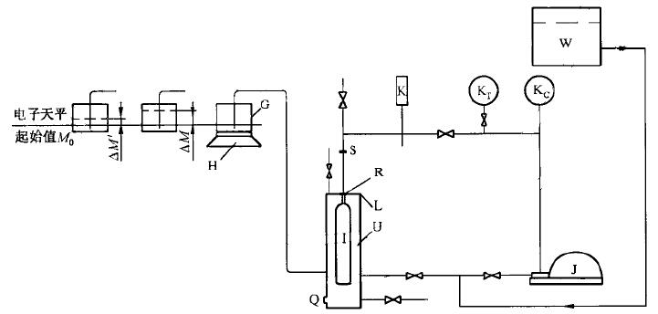
气瓶外测法试验装置流程图解释:W——试验用水水槽;J——增压装置;
R——专用接头;S——活接头;U——水套;L——水套盖;I——受试瓶;
Kc——压力测量仪表(指示、控制泵出口压力用);K——压力测量仪表(读取试验压力用);
KT——精密压力表(校验其他压力测量仪表用);H——电子天平;G——量杯;Q——安全泄放口。)
合格标准:在水压试验压力下,保压1 min,瓶体不应有泄漏或明显变形,且水压试验压力下弹性膨胀量不应超过气瓶极限弹性膨胀量(REE)。
以上就是呼吸气瓶水压试验方法的所有内容,有兴趣的朋友可以参阅相关标准《GB 28053 呼吸器用复合气瓶》、《GB/T 9251 气瓶水压试验方法》。