汽车空调(HFC-134a)用软管及软管组合件耐脉冲疲劳性试验方法简介:
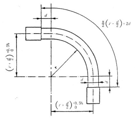
把至少两根软管组合件安装在软管脉冲疲劳试验装置上,对于公称内径小于或等于22 mm的软 管,弯曲180°,软管暴露长度=π(r+d/2)+2d(见下图1);对于公称内径大于22 mm的软管,弯曲90°,软管暴露长度=π(r+d/2)/2+2d(见下图2);最小弯曲半径是软管公称半径的5倍,然后按下图3的规定施加(0.5±0.5)MPa~(2.6±0.13)MPa的脉冲压力,频率为每分钟30次至40次;试验液体为冷冻润滑油,油温为40℃±2℃,在环境温度为125℃±2℃下进行试验,共进行150000次循环后,仔细观察软管组合件是否有渗漏和损坏现象。

r——最小弯曲半径;d——软管外径
软管暴露长度——π(r+d/2)+2d
图1 耐脉冲疲劳性试验软管组合件安装图(公称内径≤22mm)

r——最小弯曲半径;d——软管外径
软管暴露长度——π(r+d/2)+2d
图2 耐脉冲疲劳性试验软管组合件安装图(公称内径≥22mm)

图3 耐脉冲疲劳性试验压力循环图