气瓶水压试验原理:试验以水为加压介质,逐步增大受试瓶内的压力,达到气瓶的水压试验压力。对气瓶的安全承载能力进行试验验证。对高压气瓶,还测定其在水压试验时的容积变形,以判定其可靠性。
气瓶水压试验通常包括耐压试验、外测法测定容积变形试验、内测法测定容积变形试验3个试验方式,下面我们就来了解这三种试验方式的装置特点。
1、气瓶水压试验之耐压试验:
不测定容积变形的耐压试验,只用于低压气瓶。如气瓶的充装介质和水压试验压力都相同,允许对多只受试瓶同时进行试验。
耐压试验装置流程见下图:

说明:W——试验用水水槽;K——压力测量仪表(读取试验压力用);KT——精密压力表;I——受试瓶;J——增压装置;R——专用接头。
气瓶耐压试验装置流程图
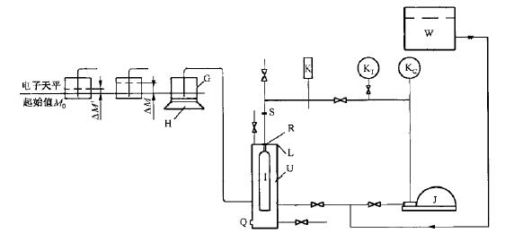
2、气瓶水压试验之外测法测定气瓶容积变形:
外测法测试装置有称量型和量管型。
称量型外测法试验装置流程见下图:

说明:W——试验用水水槽;J——增压装置;R——专用接头;S活接头;U水套;L水套盖;I——受试瓶;
Kc压力测量仪表(指示、控制泵出口压力用);K——压力测量仪表(读取试验压力用);KT——精密压力表(校验其他压力测量仪表用);H电子天平;G量杯;Q安全泄放口。
称量型气瓶外测法试验装置流程图
3、气瓶水压试验之内测法测定容积变形:
内测法试验装置流程见下图:

说明:W——试验用水水槽;J——增压装置;I——受试瓶;R——专用接头;
H——量管(固定安置,“0”刻度线位于上端);Kc压力测量仪表(指示、控制泵出口压力用);K——压力测量仪表(读取试验压力用);KT——精密压力表(校验其他压力测量仪表用)。
内测法测试装置流程图
以上就是关于“气瓶水压试验装置流程图简介”的所有内容,中国试验机领导品牌-深圳市红足1世足球网专业研发生产适用于各类型气瓶的试验装置,如文中提到的气瓶水压试验装置、气瓶气密性试验装置、气瓶压力循环试验装置等,已广泛用于气瓶生产、使用及检测单位。欢迎有需要的客户莅临我司参观考察!电话:0755-8889 8859 QQ:459675648.