液压脉冲试验台原理简介-「亿威仕」

液压脉冲试验台原理简介

0     编辑:亿威仕 | 市场部     2016-09-15    

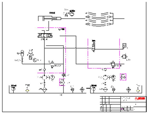
液压脉冲试验台原理简介:安装好工件,调节比例溢流的压力为工件测试工件的波峰压力,设定溢流阀的压力为测试工件的波谷压力;比例换向阀左边得电,系统升低,比例换向阀的右边得电,系统缷压。以此反复执行,完成脉冲试验。升压时间,保压时间设定好之后,计算机自动执行。波形由比例换向阀及压力传感器形成的闭环回路保证。温度控制油加热器、温度传感器、计算机三者形成的闭环控制实现。控制精度高,小型稳定。

119.jpg

液压脉冲试验台原理图