脉冲疲劳试验台主要用于承压产品的使用寿命性能检测,按相关标准,在规定时间内通过一定频率的压力反复对测试工件进行疲劳冲击测试,最终测出产品寿命性能。设备广泛用于压力管道、气瓶、压力容器、仪表阀门等产品。今天我们来学习一下脉冲疲劳试验台的工作原理:
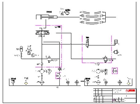
首先将测试产品与脉冲试验台连接好,然后调节比例溢流的压力为工件测试工件的波峰压力,设定溢流阀的压力为测试工件的波谷压力;比例换向阀左边得电,系统升压,比例换向阀的右边得电,系统缷压;反复执行前面操作,完成脉冲试验。当然,这些操作并不需要人工去操作这些阀门的关闭,都是能过计算机里控制软件做好相关的设置,连接好工件后,升压时间,保压时间设定好之后,一键开启测试就可以了,计算机会自动执行以上的操作。脉冲波形由比例换向阀及压力传感器形成的闭环回路保证。温度控制由加热器、温度传感器、计算机三者形成的闭环控制来实现。详见下面的脉冲疲劳试验台的工作原理图:

(液压脉冲疲劳试验台工作原理图)
脉冲试验台的应用非常广泛,下面例举一些比较典型的应用:
■ 汽车软管转向管、刹车管、空调管、燃油管、冷却水管、散热软管、暖风软管、空气滤芯器软管、蜗轮、增压系统软管、工程液压软管、航空软管和管汇、其他硬管或接头、换热器、空调器、过滤器等的脉冲试验;
■ 阀门、接头、压力表、传感器、仪器仪表、连接件等产品的脉冲试验/疲劳试验/寿命试验/老化试验/水锤试验等;
■ 压力容器、各类气瓶、壳体、泵体、容器、反应釜、航天航空类产品的脉冲试验/寿命试验/疲劳试验等;
■ 其他需要进行脉冲疲劳疲劳测试的承压产品。
中国试验机领导品牌-深圳市红足1世足球网专业研发生产脉冲疲劳试验装置,最高脉冲压力可达100MPa(可更高),脉冲频率可达15Hz,另可根据客户要求提供高低温介质和环境测试条件,欢迎了解!电话:0755-8889 8859 QQ:459675648.