脉冲振动试验系统的应用范围:
常用于动力转向管、制动管、空调管和液压软管、液压管接头等部件的脉冲振动试验。
脉冲振动试验系统的主要功能及原理:
本试验系统是按照多种软管在高低温条件下的脉冲振动疲劳试验设计的。根据试验的多功能、多品种,采用了多功能接头夹具,使之能满足试验要求。
本试验系统是在高温试验箱内设置了安装多品种接头、夹具和支架,可旋转0~90°~180°。样品的固定端可轴向调节以适应不同样品长度,实验舱中的样品通过电加热,实现高温控制,保证设备工作在稳定区。由计算机控制相关各类传感器,使各分系统实现试验过程及保护工能。
脉冲振动试验系统的参考标准:
1)动力转向管(TL82415;SAEJ188;GB/T20461);
2)制动管(GB16897-2010、SAEJ1401);
3)空调管(TL82316、SAEJ2064、GB/T20025.2-2005);
4)液压软管(SAEJ343、SAEJ517、GB/T3683-2011);
5)其他。
脉冲振动试验系统的技术参数:
a、脉冲部分技术参数:
1)试验介质:46#液压油(其他介质请咨询);
2)介质温度:-40℃~150℃(范围外请咨询);
3)环境温度:-40℃~150℃(范围外请咨询);
4)试验压力:0~60MPa(范围外请咨询);
5)测试工位:6个(可更多);
6)试验箱内腔尺寸(mm):约长1000×高1000×深1000;
7)脉冲发生器每冲程排量:400ml(工件总膨胀量须小于300ml);
8)脉冲发生器脉冲比:4:1;
9)脉冲频率:0~3Hz;(根据不同工件的不同膨胀量而定)
10)脉冲设定次数:1~100万次可设定(可更多);
11)脉冲波形:方波、梯形波(其他波形请咨询);
12)压力输出控制形式:伺服控制;
13)脉冲压力测量精度:0~100MPa,0.25级压力传感器;
14)试验介质:根据实验要求可更换;
15)冷却系统:风冷式冷油机;
b、振动部分技术参数:
1)振动方式:回转振动;
2) 振动频率:40Hz内任意设定;
3) 振幅:±3.5mm任意调整;(机械式振动台)
脉冲振动试验系统的系统特点:
1)系统具备泄露报警。当发生严重泄露,系统自动停机、卸压。
2)电气组件采用进口元器件,从控制原理和电气组件的质量上保证了试验机的精度和稳定性。
3)采用伺服控制,可通过电脑设定伺服阀参数,提高试验操作人性化。
4)采用高温脉冲发生器,响应快且无阻力,保证压力转换准确。
5)自动输出时间-压力曲线。
6)介质闭式循环系统,利用导热油-换热器加热方式,保证导热面温度在一个安全的范围内,保证试验介质入口温度及循环效率。
7)试验箱配置LED照明及电磁锁,实验过程中舱门锁死,提高实验过程可观性及人员安全性。
8)控制系统采用DELL电脑及采集卡、西门子PLC,保证控制系统的稳定性及响应速率。
9)系统由电脑和PLC控制单元上下两级控制系统组成,上位机主要完成图形处理、数据处理、数据管理,下位机根据上位机的指令完成试验过程。
10)IVS专用测试软件成熟稳定无缺陷,可实时显示各路试压曲线,各试验数据可保存并回放,可以自动生成试验报告并打印,可与OFFICE办公软件兼容,可编程试验报告,让用户可依据自己的特点设计编排。
11)试验完成或系统掉电后自动泄压至常压,实验舱门方可打开,保证人员的安全。
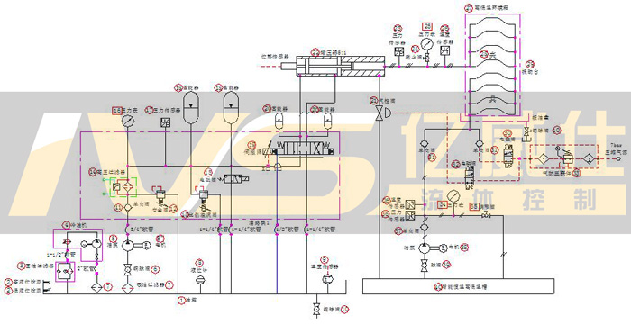
脉冲振动试验系统原理图:
