《JB/T 8860-2017 旋塞阀 静压寿命试验规程》已于2018年4月1日正式实施了, 作为JB/T 8860-2004替代标准,JB/T 8860-2017与JB/T 8860-2004相比,主要有以下三方面的技术变化:
——修改了试验要求及阀门操作力/力矩、力矩调整的要求;
——修改了试验压力、试验压差、力矩控制的要求;
——修改了阀门启闭循环次数的检查要求。

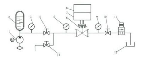
说明:1——泵;2——稳压容器;3——压力表;4——进水阀;5阀前压力表;6被试阀;7——行程控制机构;
8——驱动机构;9——阀后压力表;10——阀后控制阀;11——泄压阀;12——水箱;13——进气阀。
新版的旋塞阀静压寿命试验方法与前版相比差别不大,具体试验方法流程如下:
1、安装旋塞阀;
2、手动操作的旋塞阀,在常温时最大允许工作压力的条件下,用指示式扭力扳手测量旋塞阀开启和关闭时的最大操作力矩。检测3次,取最大值;
3、按第2步测得的力矩调整驱动机构的控制方式和输出力矩,以符合旋塞阀的关闭密封操作要求,并经密封性能试验达到密封性能要求。除调整操作力矩外,还应调整开闭位置;
4、达到4.9的规定或客户要求的启闭循环次数时,检查密封面的泄露情况,结果合格则继续循环试验。试验中,若操作力矩不满足旋塞阀启闭操作,应调整驱动机构的输出力矩,以达到密封要求。当操作力矩不符合4.10的要求时,应终止试验。
附1:《JB/T 8860-2017 旋塞阀 静压寿命试验规程》4.9条规定:
静压寿命试验过程中,金属-非金属弹性密封副的旋塞阀,每启闭循环300次,进行一次密封性能和操作力矩的检查;金属-金属密封副的旋塞阀,每启闭循环100次,进行一次密封性能检查;密封性能合格后,继续试验。双向密封的旋塞阀,应两个方向都进行密封性能试验。
附2:《JB/T 8860-2017 旋塞阀 静压寿命试验规程》4.10条规定:
启闭循环试验期间,若操作机构的输出力矩不满足旋塞阀密封性能,允许调整操作机构的力矩。手动或蜗轮杆机构操作的旋塞阀,施加在手柄或手轮上的操作力不得超过360N;电动、液动、气动或其他电-液气联动装置操作的旋塞阀,用其他配带操作机构调整操作力矩,不得更换执行机构进行试验。
以上就是关于“旋塞阀静压寿命试验方法”的所有内容,如需了解更多内容,可以参阅《JB/T 8860-2017 旋塞阀静压寿命试验规程》。
中国试验机领导品牌-深圳市红足1世足球网专业研发生产适用于各类型阀门的性能试验机,如上文中提到的阀门静压寿命试验装置等,欢迎有需要的客户朋友莅临我司参观考察!电话:0755-8889 8859 QQ:459675648.